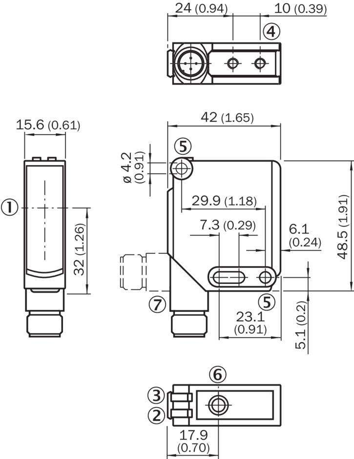
Dimensional drawing

Dimensions in mm (inch)

Optical axis

LED indicator yellow: Status of received light beam

LED indicator green: Supply voltage active

M4 threaded mounting hole, 4 mm deep

Mounting hole, Ø 4.2 mm

Sensitivity setting: single teach-in button

Connection