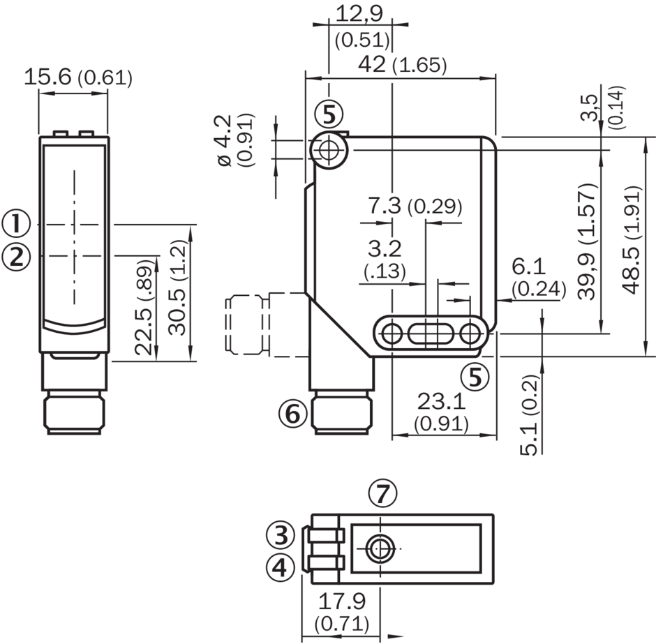
Dimensional drawing

Dimensions in mm (inch)

Optical axis, sender

Optical axis, receiver

LED indicator yellow: Status of received light beam

LED indicator green: Supply voltage active

Mounting hole ø 4.2 mm

male connector M12, 4-pin