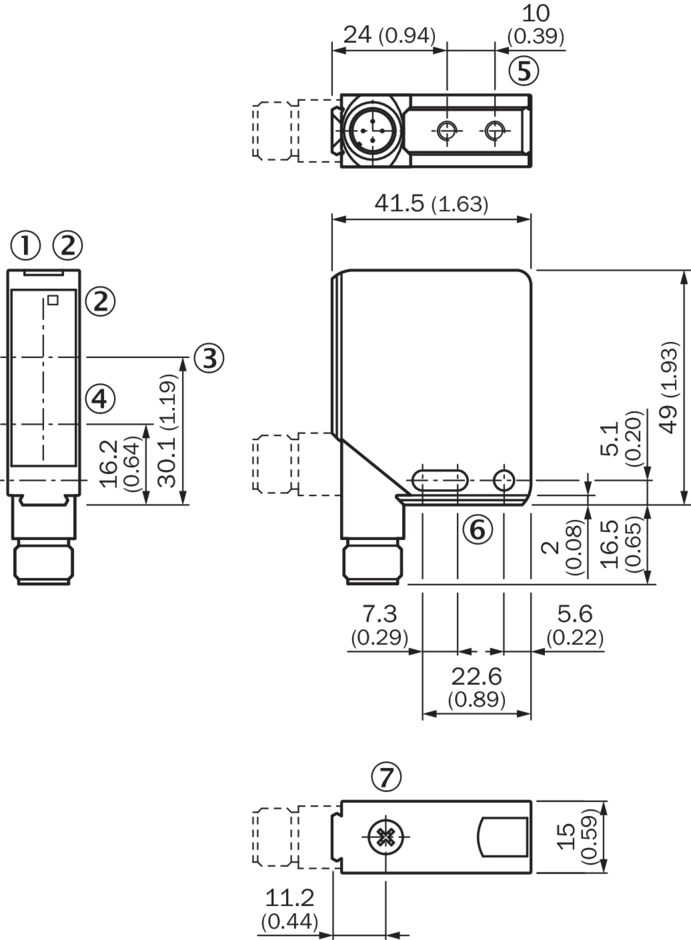
Dimensional drawing WT12L-2

Dimensions in mm (inch)

Operating indicator, green

LED reception indicator, yellow

Optical axis, receiver

Optical axis, sender

M4 threaded mounting hole – 4 mm depth

Mounting hole, Ø 4.2 mm

Adjustment of sensing range