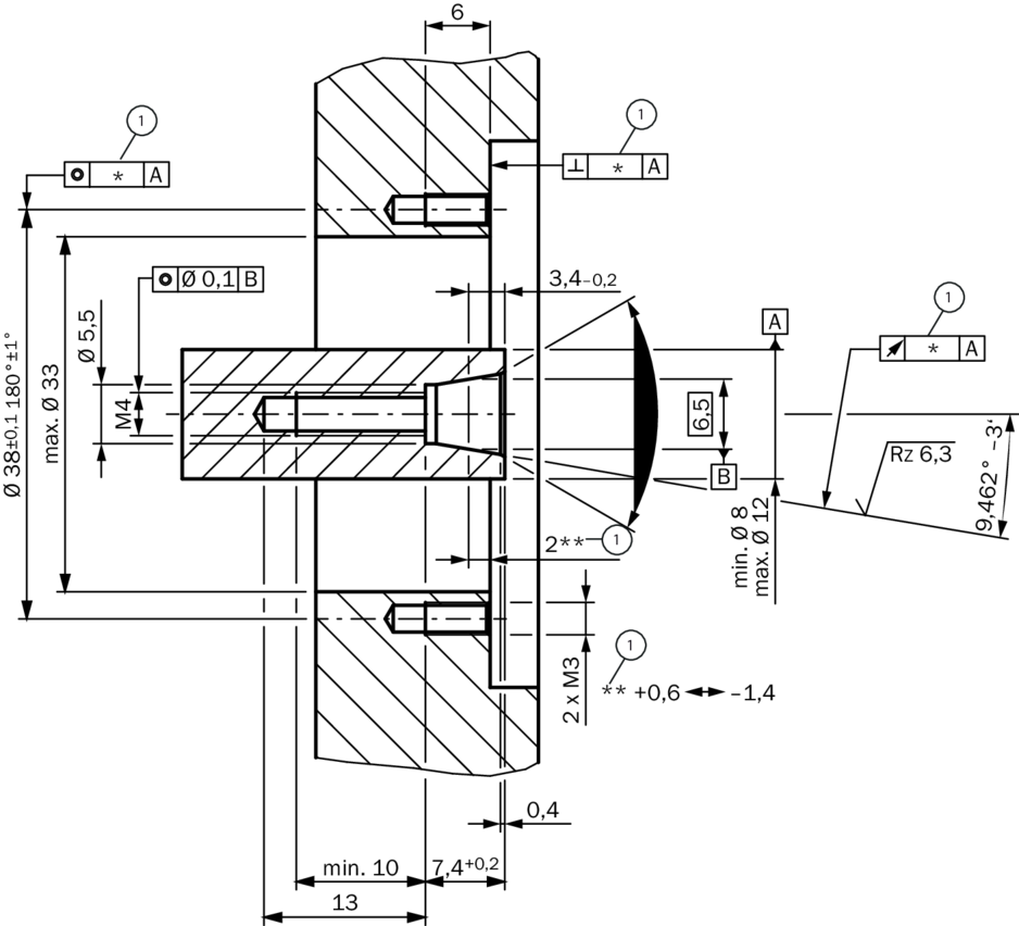
安裝規定 符合DIN ISO 2768-mk的一般容差

容差範圍縮減允許的軸位移,參見技術資料