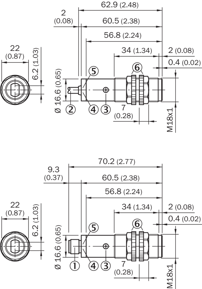
Dimensional drawing VL180-2, plastic, axial

Dimensions in mm (inch)

M12 male device connector, 4-pin

Connection cable 2 m

Sensitivity control (potentiometer, 270°)

LED indicator orange: switching output active

LED indicator green: strength indicator

fastening nuts (2 x); A/F 22, PC