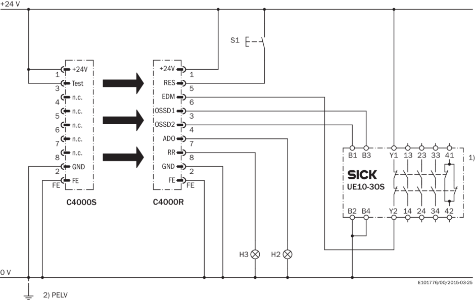
Connection diagram C4000 safety light curtain to UE10-3OS safety relay

Task

Connection of a C4000 Standard/Advanced/Palletizer/Fusion safety light curtain to UE10-3OS. Operating mode with restart interlock and external device monitoring.

Function

When the light path is clear and the UE10-3OS is de-energized and functioning correctly, the yellow LED on the receiver and the H3 lamp flash. The system is ready to be switched on. The system is enabled by pressing S1 (button is pressed and released). The OSSD1 and OSSD2 outputs are live, and the UE10-3OS is switched on. Upon the interruption of one of the light beams, the UE10-3OS is deactivated by the OSSD1 and OSSD2 outputs.

Possible faults

Cross-circuits and short-circuits of the OSSDs are detected and lead to the inhibited state (lock-out). The incorrect functioning of the UE10-3OS will be detected, but will not result in the loss of the shutdown function. Jamming of the S1 button prevents the output circuit from enabling. H2 lamp is illuminated if there is contamination (adjustable parameter).

Comments

1) Output circuits: These contacts are to be connected to the controller such that, with the output circuit open, the dangerous state is disabled. For categories 4 and 3, this integration must be dual-channel (x/y paths). Single-channel integration in the control (z path) is only possible with a single-channel control and taking the risk analysis into account.

2) PELV as required in EN 60204-1 / 6.4

The related operating instructions for the integrated devices must be observed.