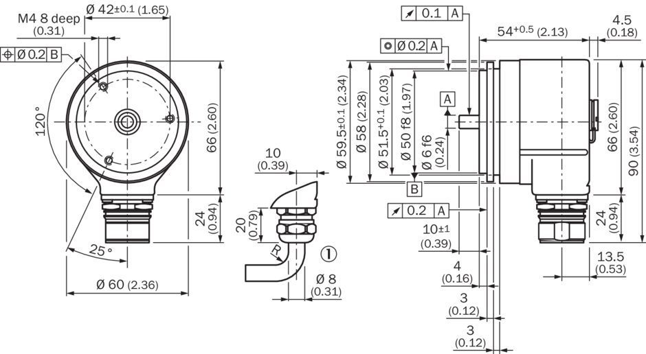
Výkres

Rozměry v mm

všeobecné tolerance podle normy DIN ISO 2768-mk

R = min. poloměr ohybu 40 mm