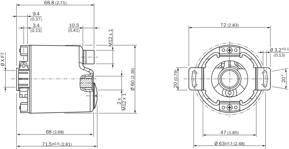
Výkres Slepá dutá hřídel

Rozměry v mm

průměr x f7 odpovídá průměru hřídele