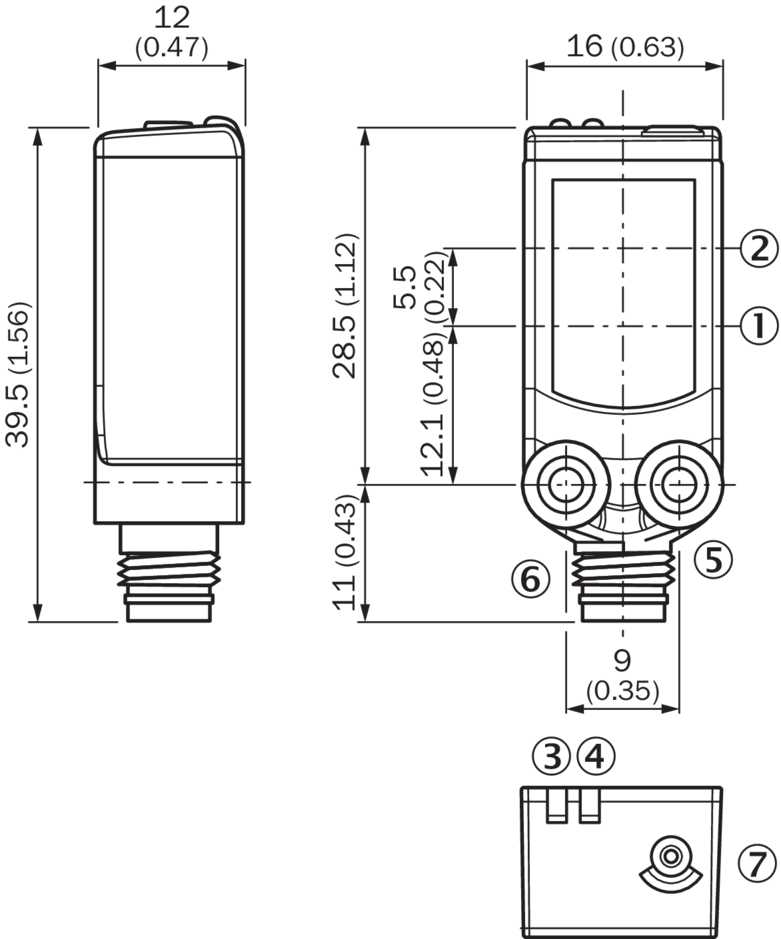
Dimensional drawing WLG4-3

Dimensions in mm (inch)

Center of optical axis, sender

Center of optical axis, receiver

Orange LED indicator: status of received light beam

LED indicator green: Supply voltage active

Threaded mounting hole M3

Connection

Teach-in button